935*262*1081mm
700*387.4*1046mm
700*569*1070mm

935*262*1081mm
700*387.4*1046mm
700*569*1070mm

SPC全控型智能電能質量矯正裝置是瓦萊利科技(杭州)有限公司在SVG的基礎上進行優化升級,專用于提升配電臺區電能質量的新型電力電子裝置。該裝置可有效補償三相不平衡、雙向快速調節無功功率、實時穩定系統電壓。與國網“低電壓”排查治理的管理方針和技術原則完全吻合。
加裝SPC能全面大幅改善臺區電能質量,具體有以下幾個方面:
1、徹底解決配網三相不平衡問題,大幅降低低壓配電網線路損耗;
2、使無功達到就地平衡,提高配電網實際輸出容量;
3、實時改善電壓質量,穩定系統電壓,提高配電質量,改善用電環境;
4、完美解決由于三相不平衡帶來的變壓器過載運行問題,延長變壓器壽命。

無功補償原理
SPC開啟后通過外部電流互感器(CT),實時檢測負載電流,并通過內部控制器計算來分析負載電流的無功含量,然后根據設置值來控制PWM信號發生器發出控制信號給內部的IGBT使逆變器產生滿足要求的無功補償電流,最終實現動態無功補償的目的。
 
 
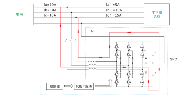
三相不平衡補償原理
SPC開啟后,通過外接電流互感器(CT)實時檢測系統電流,并將系統電流信息發送給內部控制器進行處理分析,以判斷系統是否處于不平衡狀態,同時計算出達到平衡狀態時各相所需轉換的電流值,然后將信號發送給內部IGBT并驅動其動作,將不平衡電流從電流大的相轉移到電流小的相,最后達到三相平衡狀態。
 
 
電壓支撐原理
SPC對補償點電壓進行采樣,將電壓信息傳遞給內部控制器,以判斷補償點電壓是否超過設定值,當電壓超過調壓上限(Umax)時,SPC輸出感性電流,降低電壓;當電壓低于調壓下限(Umix)時,SPC輸出容性電流,提升電壓。最終使各相電壓穩定在正常范圍內。
 
